Symmetrical PSU

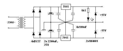
I've build this symmetrical power supply many years a go. It's so simple it hardly deserves to be placed on the web. However, it has served me wel in many experiments. It really is a schemtatic straight from the book. A transformer, a Greatz bridge rectifier, some elco and two common integrated stabilizers.
The metal case and the transformer I got from a fiend. It was originally a battery charger for dry-cells used in RC cars. He decided to abondon the hobby and donated the carger to me. It was small but large enough to squeeze in two elcos beside the transformer, the discrete rectifier on top of it and mount the stabilizers to the back of the case. You can see the result below

Yes, it's ugly! However, it has a nice feature, it can survive a short circuit! The stabilizers are so overrated compared to the transformer that in case of a short the voltage of the transformer drops to circa 8 volts and then the stabilizer go into protection mode.